 |
 |
|
 |
 |
Приводная техника

Вся продукция сертифицирована. Мы будем рады видеть Вас клиентом нашей компании.

|
|
 |
 |
 |
Мотор-редукторы цилиндрические двухступенчатые 1МЦ2С63Н, 1МЦ2С80Н, 1МЦ2С100Н |
|
 |
 |
Мотор-редукторы цилиндрические двухступенчатые 1МЦ2С63Н, 1МЦ2С80Н, 1МЦ2С100Н

Мотор-редукторы цилиндрические двухступенчатые типоразмера 1МЦ2С-100Н, 1МЦ2С-63Н, 1МЦ2С-80Н предназначены для использования в качестве привода общемашиностроительного применения. Этот тип мотор-редукторов широко применяется в таких областях как текстильная, пищевая, химическая промышленность (Внешняя среда - неагрессивная), автоматические линии, металлургия и т.д.
УСЛОВИЯ ПРИМЕНЕНИЯ МОТОР-РЕДУКТОРОВ:
-
Работа от сети переменного тока частотой 50 или 60 Гц;
-
Режим работы - продолжительный, с продолжительностью работы 8-24 ч/сут;
-
Вращения выходного вала в любую сторону;
-
Климатическое исполнение У, категория размещения 3 (температура окружающего воздуха от -40°С до +40°С, эксплуатация в закрытых помещениях с естественной вентиляцией без искусственно регулируемых климатических условий) или климатическое исполнение Т2 (температура окружающей среды от -10°С до +45°С, эксплуатация под навесом или в помещениях);
-
Внешняя среда - неагрессивная, невзрывоопасная с содержанием непроводящей пыли 10 мг/м3;
-
Высота над уровнем моря - до 1000 м; Примечание: Применение мотор-редуктора в грузоподъемных механизмах не допускается.


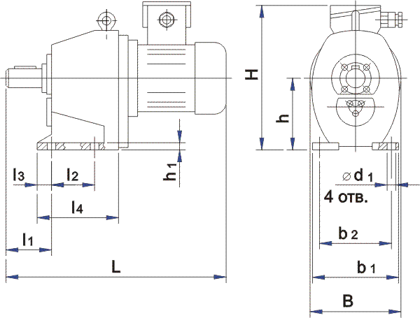
РИС 1.
Габаритные и присоединительные размеры (исполнение на лапах).

РИС 2.
Монтажное исполнение мотор-редукторов 1МЦ2С
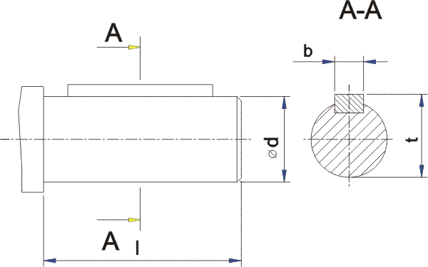
Обозначение
мотор-
редуктора |
Частота вращения вых. вала, об/мин |
L |
B |
H |
I |
I1 |
I2 |
I3 |
I4 |
b |
b1 |
b2 |
d |
d1
4 отв |
h |
h1 |
t |
не более |
1МЦ2С-63Н |
28...71 |
465 |
200 |
265 |
60 |
48 |
110 |
15 |
160 |
8 |
185 |
150 |
28k6 |
12 |
140 |
16 |
31 |
90 |
490 |
200 |
265 |
112...180 |
515 |
250 |
275 |
1МЦ2С-80Н |
28; 35,5; 45; 56 |
547 |
200 |
305 |
80 |
75 |
115 |
20 |
175 |
10 |
220 |
180 |
35k6 |
15 |
170 |
18 |
38 |
71...160 |
601 |
250 |
317 |
1МЦ2С-100Н |
28...90 |
675 |
260 |
377 |
110 |
102 |
130 |
20 |
195 |
14 |
255 |
210 |
45к6 |
15 |
212 |
22 |
48,5 |
Таблица №1.
Габаритные и присоединительные размеры.
ТЕХНИЧЕСКИЕ ХАРАКТЕРИСТИКИ.
| Наименование мотор-редуктора |
Номинальная частота вращения вых. вала,
об/мин |
Номинальный крутящий момент на
выходном валу, Нм |
Масса, кг |
h редукторной части |
Двигатель |
| Тип |
Мощность, кВт |
1МЦ2С-63Н |
28 |
112 |
27 |
62 |
АИР71А6 |
0,37 |
160 |
66 |
АИР71В6 |
0,55 |
35,5 |
140 |
170 |
29 |
АИР80А6 |
0,75 |
45 |
106 |
27 |
АИР71В4 |
0,55 |
140 |
29 |
67 |
АИР80В4 |
0,75 |
56 |
132 |
27 |
72 |
АИР71В4 |
0,75 |
170 |
30 |
АИР80А4 |
1,1 |
71 |
100 |
27 |
АИР71В4 |
0,75 |
140 |
30 |
АИР80А4 |
1,1 |
90 |
118 |
150 |
32 |
74 |
АИР80В4 |
1,5 |
112 |
118 |
170 |
38 |
77 |
АИР90L4 |
2,2 |
140 |
95 |
32 |
74 |
АИР80В4 |
1,5 |
140 |
33 |
77 |
АИР90L4 |
2,2 |
180 |
80 |
32 |
74 |
АИР80В4 |
1,5 |
112 |
38 |
АИР90L4 |
2,2 |
1МЦ2С-80Н |
28 |
236 |
37 |
67 |
АИР80А6 |
0,75 |
335 |
41 |
71 |
АИР80В6 |
1,1 |
35,5 |
180 |
37 |
67 |
АИР80А6 |
0,75 |
265 |
41 |
71 |
АИР80В6 |
1,1 |
45 |
224 |
300 |
45 |
72 |
АИР90L6 |
1,5 |
56 |
250 |
41 |
74 |
АИР80Â4 |
1,5 |
355 |
46 |
77 |
АИР90L4 |
2,2 |
71 |
280 |
355 |
51 |
78 |
АИР100S4 |
3,0 |
90 |
236 |
46 |
77 |
АИР90L4 |
2,2 |
335 |
51 |
78 |
АИР100S4 |
3,0 |
112 |
180 |
46 |
77 |
АИР90L4 |
2,2 |
236 |
51 |
78 |
АИР100S4 |
3,0 |
315 |
57 |
81 |
АИР100L4 |
4,0 |
140 |
200 |
51 |
78 |
АИР100S4 |
3,0 |
265 |
57 |
81 |
АИР100L4 |
4,0 |
180 |
160 |
51 |
78 |
АИР100L4 |
3,0 |
212 |
57 |
81 |
АИР100L4 |
4,0 |
1МЦ2С-100Н |
28 |
522 |
70 |
71 |
АИР100L8СВ |
1,5 |
35,5 |
550 |
77 |
79 |
АИР100L6СВ |
2,2 |
45 |
455 |
74 |
79 |
АИР100L6СВ |
2,2 |
56 |
514 |
73 |
80 |
АИР100S4СВ |
3,0 |
71 |
553 |
80 |
82 |
АИР100L4СВ |
4,0 |
90 |
422 |
80 |
82 |
АИР100L4 |
4,0 |
ПРИМЕР УСЛОВНОГО ОБОЗНАЧЕНИЯ ПРИ ЗАКАЗЕ.
Мотор-редуктор 1МЦ2С-100Н-45-110УЗ, 380 В, где:
- 1МЦ2С - тип мотор-редуктора;
- 100 - межосевое расстояние;
- Н - с зацеплением Новикова;
- 45 - частота вращения выходного вала, 1/мин;
- G110 - конструктивное исполнение по способу монтажа;
- У3 - климатическое исполнение (У) и категория размещения (3);
- 380В - номинальное напряжение сети переменного тока;
|
Приводная техника (мотор-редукторы, преобразователи частоты и устройства плавного пуска) отправляется покупателю транспортной компанией. По всем вопросам обращаться в офис.
Мы всегда рады видеть у себя наших старых партнеров и ждем новых.
Доставка во все регионы России!
|
 |
 |
|
|