Червячные редукторы NRV

Описание:
Червячные редукторы серии NRV – это лучшее предложение по соотношению
цена-качество на Российском рынке. Червячный редуктор NRV отличается
модернизированным универсальным корпусом позволяющим осуществить монтаж
редуктора в любом положении. Сочетают в себе высокую надёжность и доступную
цену. Простая и надежной конструкция обладает высокими эксплуатационными
характеристиками и бесшумной работой. Благодаря унифицированным
присоединительным размерам могут служить заменой вышедших из строя редукторов
других фирм.
Характерные свойства червячных редукторов NRV:
-
9 типоразмеров редукторов мощностью 0,06 - 15 кВт (30 - 40 - 50 - 63 - 75 - 90 - 110 - 130 - 150)
-
диапазон передаточных чисел 5 - 100;
-
максимальный выходной момент – 1400 Н·м, допустимая радиальная нагрузка - 16500 Н;
-
корпус червячных редукторов начиная с 030 типоразмера окрашен полиэпоксидной краской голубого (RAL 5010) цвета в соответствии со стандартами DIN 1843;
-
корпус мотор-редукторов до 090 типоразмера изготавливается из алюминиевого сплава;
-
корпус редукторов 110 – 150 типоразмеров изготавливается из серого чугуна марки G200, обработанного по FEM-технологии;
-
зубчатые колеса червячной передачи изготавливаются из бронзового сплава GCuSn12 (UNI7013-72);
-
профиль шлифовки червяка ZI (UNI4760);
-
запатентованная компактная конструкция корпуса.
ОБЩЕЕ ОПИСАНИЕ
Схема типового обозначения.
тип |
типоразмер |
передаточное число |
исполнение |
электродвигатель |
монтажная позиция |
двухсторонний входной вал |
цилиндрический выходной вал |
выходной фланец |
реактивная штанга |
NMRV |
030 - 130 |
5 - 3200 |
E |
SS - односторонний |
FL |
A |
мощность и обороты электродвигателя |
монтажные
позиции |
NRV |
PCRV |
DS - двухсторонний |
DRV |
Пример условного обозначения в заказе.
NRV - 63 - 7,5 - B3
-
NRV - редуктор;
-
63 - типоразмер (межосевое расстояние червячной пары);
-
7,5 - передаточное число;
-
B3 - горизонтальная монтажная позиция.
Исполнение.
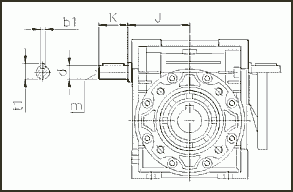
Двухсторонний входной вал.

|
|
J |
d(j6) |
К |
m |
b1 |
t1 |
30 |
45 |
9 |
20 |
- |
3 |
10.2 |
40 |
53 |
11 |
23 |
- |
4 |
12.5 |
50 |
64 |
14 |
30 |
М6 |
5 |
16 |
63 |
75 |
19 |
40 |
М6 |
6 |
21.5 |
75 |
90 |
24 |
50 |
М8 |
8 |
27 |
90 |
108 |
24 |
50 |
М8 |
8 |
27 |
110 |
135 |
28 |
60 |
М10 |
8 |
31 |
130 |
155 |
30 |
80 |
М10 |
8 |
33 |
150 |
175 |
35 |
80 |
М12 |
10 |
38 |
|
Двухсторонний выходной вал.

|
|
d(h6) |
T |
T1 |
L1 |
Z |
Z1 |
m |
b1 |
t1 |
30 |
14 |
30 |
32.5 |
63 |
102 |
128 |
M6 |
5 |
16 |
40 |
18 |
40 |
43 |
78 |
128 |
164 |
М6 |
6 |
20.5 |
50 |
25 |
50 |
53.5 |
92 |
153 |
199 |
М10 |
8 |
28 |
63 |
25 |
50 |
53.5 |
112 |
173 |
219 |
М10 |
8 |
28 |
75 |
28 |
60 |
63.5 |
120 |
192 |
247 |
М10 |
8 |
31 |
90 |
35 |
80 |
84.5 |
140 |
234 |
309 |
М12 |
10 |
38 |
110 |
42 |
80 |
84.5 |
155 |
249 |
324 |
М16 |
12 |
45 |
130 |
45 |
80 |
85 |
170 |
265 |
340 |
М16 |
14 |
48.5 |
150 |
50 |
82 |
87 |
200 |
295 |
374 |
M13 |
14 |
53,5 |
|
Реактивная штанга.

|
|
L |
Н |
К |
D |
R |
В |
30 |
85 |
14 |
24 |
8 |
15 |
4 |
40 |
100 |
14 |
31.5 |
10 |
18 |
4 |
50 |
100 |
14 |
36.5 |
10 |
18 |
4 |
63 |
150 |
14 |
49 |
10 |
18 |
6 |
75 |
200 |
25 |
47.5 |
20 |
30 |
6 |
90 |
200 |
25 |
57.5 |
20 |
30 |
6 |
110 |
250 |
30 |
62 |
25 |
35 |
6 |
130 |
250 |
30 |
69 |
25 |
35 |
6 |
150 |
250 |
30 |
84 |
25 |
35 |
6 |
|
Параметры зацепления червячной пары.
типо-размер |
i |
5 |
7.5 |
10 |
15 |
20 |
25 |
30 |
40 |
50 |
60 |
80 |
100 |
030
|
m |
1.5 |
1.5 |
1.5 |
1.5 |
1 |
1.75 |
1.5 |
1 |
0.9 |
0.75 |
0.55 |
/ |
z1 |
6 |
4 |
3 |
2 |
2 |
1 |
1 |
1 |
1 |
1 |
1 |
/ |
y |
29°3' |
20°19' |
15°31' |
10°29" |
5°42' |
6°10' |
5°17' |
2°52' |
3°26' |
2°52' |
1°58' |
/ |
nd |
0.874 |
0.856 |
0.829 |
0.782 |
0.673 |
0.700 |
0.667 |
0.520 |
0.567 |
0.520 |
0.422 |
/ |
ns |
0.723 |
0.675 |
0.637 |
0.559 |
0.461 |
0.442 |
0.400 |
0.308 |
0.319 |
0.275 |
0.221 |
/ |
040
|
m |
2 |
2 |
2 |
2 |
1.6 |
1.25 |
2 |
1.6 |
1.25 |
1 |
0.8 |
0.65 |
z1 |
6 |
4 |
3 |
2 |
2 |
2 |
1 |
1 |
1 |
1 |
1 |
1 |
y |
30°58' |
21°48' |
16°42' |
11°19' |
11°19' |
8°8' |
5°43' |
5°43' |
4°5' |
2°52' |
2°52" |
2°29' |
nd |
0.886 |
0.862 |
0.839 |
0.805 |
0.792 |
0.738 |
0.675 |
0.668 |
0.604 |
0.541 |
0.513 |
0.477 |
ns |
0.737 |
0.703 |
0.661 |
0.589 |
0.559 |
0.502 |
0.434 |
0.411 |
0.351 |
0.284 |
0.276 |
0.243 |
050
|
m |
2.5 |
2.5 |
2.5 |
2.5 |
2 |
1.6 |
2.5 |
2 |
1.6 |
1.25 |
1 |
0.8 |
z1 |
6 |
4 |
3 |
2 |
2 |
2 |
1 |
1 |
1 |
1 |
1 |
1 |
y |
30°58' |
21°48' |
16°42' |
11°19' |
11°19' |
9°5" |
5°43' |
5°43' |
4°21' |
2°52' |
2°52' |
2°17' |
nd |
0.887 |
0.874 |
0.852 |
0.808 |
0.805 |
0.771 |
0.711 |
0.693 |
0.634 |
0.532 |
0.530 |
0.483 |
ns |
0.737 |
0.695 |
0.654 |
0.581 |
0.561 |
0.517 |
0.434 |
0.403 |
0.352 |
0.289 |
0.270 |
0.227 |
063
|
m |
/ |
3.25 |
3.25 |
3.25 |
2.5 |
2 |
3.25 |
2.5 |
2 |
1.6 |
1.25 |
1 |
z1 |
/ |
4 |
3 |
2 |
2 |
2 |
1 |
1 |
1 |
1 |
1 |
1 |
y |
/ |
24°31' |
18°53' |
12°51' |
11°19' |
8°45' |
6°30' |
5°43' |
4°24' |
3°3' |
2°52' |
2°12' |
nd |
/ |
0.880 |
0.870 |
0.830 |
0.820 |
0.780 |
0.740 |
0.716 |
0.660 |
0.571 |
0.562 |
0.486 |
ns |
/ |
0.710 |
0.670 |
0.600 |
0.557 |
0.510 |
0.450 |
0.409 |
0.360 |
0.304 |
0.276 |
0.229 |
075
|
m |
/ |
4 |
4 |
4 |
3 |
2.5 |
4 |
3 |
2.5 |
2 |
1.6 |
1.25 |
z1 |
/ |
4 |
3 |
2 |
2 |
2 |
1 |
1 |
1 |
1 |
1 |
1 |
y |
/ |
28°4' |
21°48' |
14°56' |
11°19' |
11°19' |
7°36' |
5°43' |
5°43' |
3°49' |
4°21' |
2°52' |
nd |
/ |
0.912 |
0.904 |
0.876 |
0.850 |
0.848 |
0.810 |
0.770 |
0.769 |
0.695 |
0.719 |
0.626 |
ns |
/ |
0.712 |
0.683 |
0.614 |
0.570 |
0.542 |
0.466 |
0.420 |
0.395 |
0.342 |
0.316 |
0.267 |
090
|
m |
/ |
5 |
5 |
5 |
3.75 |
3 |
5 |
3.75 |
3 |
2.5 |
1.9 |
1.5 |
z1 |
/ |
4 |
3 |
2 |
2 |
2 |
1 |
1 |
1 |
1 |
1 |
1 |
y |
/ |
33°41' |
26°34' |
18°26' |
14°02' |
11°19' |
9°28' |
7°08' |
5°43' |
4°46' |
3°53' |
2°52' |
nd |
/ |
0.905 |
0.898 |
0.873 |
0.849 |
0.824 |
0.804 |
0.765 |
0.727 |
0.690 |
0.638 |
0.572 |
ns |
/ |
0.734 |
0.706 |
0.650 |
0.606 |
0.563 |
0.505 |
0.459 |
0.414 |
0.380 |
0.342 |
0.271 |
110
|
m |
/ |
5.9 |
5.9 |
5.9 |
4.6 |
3.75 |
5.9 |
4.6 |
3.75 |
3.15 |
2.4 |
1.9 |
z1 |
/ |
4 |
3 |
2 |
2 |
2 |
1 |
1 |
1 |
1 |
1 |
1 |
y |
/ |
28°46' |
22°22' |
15°21' |
14°20' |
14°02' |
7°49' |
7°17' |
7°08' |
5°48' |
4°54' |
3°37' |
nd |
/ |
0.901 |
0.891 |
0.862 |
0.848 |
0.851 |
0.793 |
0.776 |
0.768 |
0.729 |
0.692 |
0.628 |
ns |
/ |
0.721 |
0.691 |
0.631 |
0.618 |
0.598 |
0.482 |
0.478 |
0.451 |
0.415 |
0.372 |
0.319 |
130
|
m |
/ |
7 |
7 |
7 |
5.4 |
4.4 |
7 |
5.4 |
4.4 |
3.75 |
2.75 |
2.25 |
z1 |
/ |
4 |
3 |
2 |
2 |
2 |
1 |
1 |
1 |
1 |
1 |
1 |
y |
/ |
29°15' |
22°47' |
15°39' |
13°47' |
12°24' |
7°58' |
7°00' |
6°17' |
6°7' |
3°56' |
3°41' |
nd |
/ |
0.911 |
0.891 |
0.872 |
0.860 |
0.845 |
0.803 |
0.779 |
0.758 |
0.749 |
0.671 |
0.657 |
ns |
/ |
0.721 |
0.691 |
0.631 |
0.610 |
0.583 |
0.492 |
0.460 |
0.435 |
0.406 |
0.335 |
0.308 |
Допускаемая радиальная консольная нагрузка на выходном валу.

i |
n2 |
030 |
040 |
050 |
063 |
075 |
090 |
110 |
130 |
5 |
280 |
599 |
1149 |
1586 |
2062 |
2428 |
2687 |
3389 |
4433 |
7.5 |
186 |
691 |
1325 |
1829 |
2378 |
2799 |
3098 |
3908 |
5112 |
10 |
140 |
758 |
1454 |
2007 |
2609 |
3072 |
3400 |
4288 |
5610 |
15 |
94 |
868 |
1665 |
2298 |
2988 |
3518 |
3893 |
4910 |
6424 |
20 |
70 |
954 |
1829 |
2525 |
3283 |
3665 |
4277 |
5395 |
7057 |
25 |
56 |
1033 |
1981 |
2735 |
3556 |
4187 |
4633 |
5844 |
7645 |
30 |
47 |
1086 |
2087 |
2881 |
3745 |
4410 |
4880 |
6155 |
8052 |
40 |
35 |
1204 |
2309 |
3188 |
4145 |
4880 |
5401 |
6812 |
8912 |
50 |
28 |
1296 |
2485 |
3431 |
4461 |
5252 |
5812 |
7331 |
9590 |
60 |
24 |
1381 |
2649 |
3658 |
4756 |
5599 |
6196 |
7815 |
10224 |
80 |
18 |
1516 |
2907 |
4014 |
5218 |
6144 |
6799 |
8576 |
11219 |
100 |
14 |
1638 |
3142 |
4338 |
5639 |
6639 |
7348 |
9268 |
12124 |
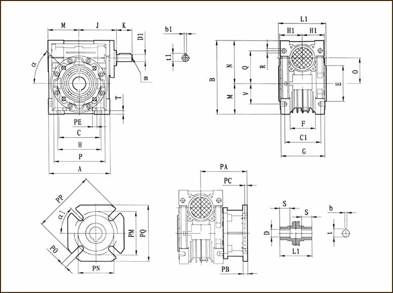
Габаритные и присоединительные размеры.

NRV |
A |
В |
С |
C1 |
D(H7) |
D1(j6) |
E(h8) |
F |
G |
H |
H1 |
J |
К |
L1 |
M |
N |
0 |
P |
Q |
R |
30 |
80 |
97 |
54 |
44 |
14 |
9 |
55 |
32 |
56 |
65 |
29 |
51 |
20 |
63 |
40 |
57 |
30 |
75 |
44 |
6.5 |
40 |
100 |
121.5 |
70 |
60 |
18(19) |
11 |
60 |
43 |
71 |
75 |
36.5 |
60 |
23 |
78 |
50 |
71.5 |
40 |
87 |
55 |
6.5 |
50 |
120 |
144 |
80 |
70 |
25(24) |
14 |
70 |
49 |
85 |
85 |
43.5 |
74 |
30 |
92 |
60 |
84 |
50 |
100 |
64 |
8.5 |
63 |
144 |
174 |
100 |
85 |
25(28) |
19 |
80 |
67 |
103 |
95 |
53 |
90 |
40 |
112 |
72 |
102 |
63 |
110 |
80 |
8.5 |
75 |
172 |
205 |
120 |
90 |
28(35) |
24 |
95 |
72 |
112 |
115 |
57 |
105 |
50 |
120 |
86 |
119 |
75 |
140 |
93 |
11 |
90 |
206 |
238 |
140 |
100 |
35(38) |
24 |
110 |
74 |
130 |
130 |
67 |
125 |
50 |
140 |
103 |
135 |
90 |
160 |
102 |
13 |
110 |
252.5 |
295 |
170 |
115 |
42 |
28 |
130 |
- |
144 |
165 |
74 |
142 |
60 |
155 |
127.5 |
167.5 |
110 |
200 |
125 |
14 |
130 |
292.5 |
335 |
200 |
120 |
45 |
30 |
180 |
- |
155 |
215 |
81 |
162 |
80 |
170 |
147.5 |
187.5 |
130 |
250 |
140 |
16 |
150 |
340 |
400 |
240 |
145 |
50 |
35 |
180 |
- |
185 |
215 |
96 |
195 |
80 |
200 |
170 |
230 |
150 |
250 |
180 |
18 |
NRV |
S |
T |
V |
PA |
PB |
PC |
PE |
PM |
PN(HB) |
PO |
PP |
PQ |
b |
b1 |
t |
t1 |
m |
a |
a1 |
kg |
30 |
21 |
5.5 |
27 |
54.5 |
6 |
4 |
M6x11(n=4) |
68 |
50 |
6.5(n=4) |
80 |
70 |
5 |
3 |
16.3 |
10.2 |
- |
0° |
45" |
1.2 |
40 |
26 |
6.5 |
35 |
67 |
7 |
4 |
M6x8(n=4) |
75 |
60 |
9(n=4) |
110 |
95 |
6 |
4 |
20.8(21.8) |
12.5 |
- |
45° |
45° |
2.3 |
50 |
30 |
7 |
40 |
90 |
9 |
5 |
M8x10(n=4) |
85 |
70 |
11(n=4) |
125 |
110 |
8 |
5 |
28.3(27.3) |
16.0 |
M6 |
45° |
45° |
3.5 |
63 |
36 |
8 |
50 |
82 |
10 |
6 |
M8x14(n=8) |
150 |
115 |
11(n=4) |
180 |
142 |
8 |
6 |
28.3(31.3) |
21.5 |
M6 |
45° |
45° |
6.2 |
75 |
40 |
10 |
60 |
111 |
13 |
6 |
M8x14(n=8) |
165 |
130 |
14(n=4) |
200 |
170 |
8 |
8 |
31.3(38.3) |
27.0 |
M8 |
45° |
45" |
9 |
90 |
45 |
11 |
70 |
111 |
13 |
6 |
M10x18(n=8) |
175 |
152 |
14(n=4) |
210 |
200 |
10 |
8 |
38.3(41.3) |
27.0 |
M8 |
45° |
45" |
13 |
110 |
50 |
14 |
85 |
131 |
15 |
6 |
M10x18(n=8) |
230 |
170 |
14(n=8) |
280 |
260 |
12 |
8 |
45.3 |
31.0 |
M10 |
45° |
45° |
42.5 |
130 |
60 |
15 |
100 |
140 |
15 |
6 |
M12x21(n=8) |
255 |
180 |
16(n=8) |
320 |
290 |
14 |
8 |
48.8 |
33.0 |
M10 |
45° |
22.5° |
59 |
150 |
72.5 |
18 |
120 |
155 |
15 |
6 |
M12x21(n=8) |
255 |
180 |
16(n=6) |
320 |
290 |
14 |
10 |
53.8 |
38 |
M12 |
45° |
22.5 |
87 |
Объём заливаемого масла (л)
RV |
030 |
040 |
050 |
063 |
075 |
090 |
110 |
130 |
150 |
B3 |
0.042 |
0.081 |
0.153 |
0.3 |
0.58 |
1.02 |
3.02 |
4.55 |
7 |
B8 |
2.25 |
3.35 |
5.1 |
B6,B7 |
2.55 |
3.55 |
5.4 |
V5,V6 |
3.02 |
4.55 |
7 |
Приводная техника (мотор-редукторы, преобразователи частоты и устройства плавного пуска) отправляется покупателю транспортной компанией. По всем вопросам обращаться в офис.