 |
 |
|
 |
 |
Приводная техника

Вся продукция сертифицирована. Мы будем рады видеть Вас клиентом нашей компании.

|
|
 |
 |
 |
Двухступенчатый цилиндро-червячный мотор-редуктор PCRV |
|
 |
 |
Двухступенчатый цилиндро-червячный мотор-редуктор PCRV

-
Модель: PCRV
-
Размер: 63/40 - 63/50 - 63/63 - 71/50 - 71/63 -
71/75 - 71/90 - 80/75 - 80/90 - 80/110 - 80/130 - 90/110 - 90/130
-
Передаточное число: "i"
= 75:1 - 317:1
-
Мощность: 0,12 - 1,5 квт
-
Крутящий момент: 68 - 2150 Нм
ОБЩЕЕ ОПИСАНИЕ
Схема типового обозначения.
тип |
типоразмер |
передаточное число |
исполнение |
электро-двигатель |
монтажная позиция |
двухсторонний входной вал |
цилиндрический выходной вал |
выходной фланец |
реактивная штанга |
NMRV |
030 - 130 |
5 - 3200 |
E |
SS - односторонний |
FL |
A |
мощность и обороты электро-двигателя |
монтажные позиции |
NRV |
PCRV |
DS - двухсторонний |
DRV |
Пример типового обозначения.
PCRV - 071/075 - 158,5 - 8,8 - 0,25 - FL1 - B3
PCRV - двухступенчатый цилиндро-червячный мотор-редуктор;
071/075 - типоразмер цилиндрической ступени 71, червячного редуктора 075;
158,5 - передаточное число;
8,8 - частота вращения выходного вала (об/мин);
0,25 - мощность электродвигателя;
FL1 - исполнение с фланцем;
B3 - монтажная позиция;
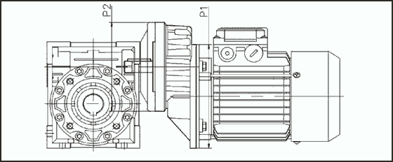
Размеры фланцев цилиндрической ступени.

PC |
i |
P2 |
P1 |
63 |
3 |
63B14/71B14 |
63B5 |
71 |
3.17 |
71B14/80B14 |
71B5 |
80 |
3 |
80B14/100B14 |
80B5 |
90 |
2.43 |
80B14/100B14 |
90B5 |
Технические характеристики.
Мощность двигателя, кВт |
Частота вращения выходного вала, об/мин |
Крутящий момент, Нм |
Сервис-фактор |
Передаточное число |
Тип мотор-редуктора |
Двигатель IEC |
Радиальная нагрузка, Н |
0,09 |
12.0 |
47 |
1.3 |
75 |
PC063+NMRV040 |
63B6 |
3283 |
10.0 |
51 |
1.4 |
90 |
3488 |
7.5 |
62 |
1.1 |
120 |
3490 |
6.0 |
72 |
0.8 |
150 |
PC063+NMRV040 |
63B6 |
3490 |
5.0 |
79 |
0.7 |
180 |
3490 |
6.0 |
73 |
1.6 |
150 |
PC063+NMRV050 |
63B6 |
4840 |
5.0 |
81 |
1.3 |
180 |
4840 |
3.8 |
94 |
0.9 |
240 |
4840 |
3.0 |
106 |
0.7 |
300 |
4840 |
3.8 |
99 |
1.7 |
240 |
PC063+NMRV063 |
63B6 |
6270 |
3.0 |
109 |
1.4 |
300 |
6270 |
0,12 |
18.7 |
42 |
1.2 |
75 |
PC063+NMRV040 |
63A4 |
2833 |
15.6 |
46 |
1.2 |
90 |
3011 |
11.7 |
57 |
0.9 |
120 |
3314 |
9.3 |
66 |
0.7 |
150 |
3490 |
7.8 |
74 |
0.6 |
180 |
3490 |
12.0 |
62 |
1.0 |
75 |
PC063+NMRV040 |
63C6 |
3283 |
10.0 |
68 |
1.1 |
90 |
3488 |
7.5 |
83 |
0.8 |
120 |
3490 |
9.3 |
68 |
1.3 |
150 |
PC063+NMRV050 |
63A4 |
4840 |
7.8 |
75 |
1.1 |
180 |
4840 |
5.8 |
88 |
0.8 |
240 |
4840 |
4.7 |
98 |
0.7 |
300 |
4840 |
12.0 |
63 |
1.7 |
75 |
PC063+NMRV050 |
63C6 |
4506 |
10.0 |
70 |
2.1 |
90 |
4788 |
7.5 |
84 |
1.5 |
120 |
4840 |
6.0 |
97 |
1.2 |
150 |
4840 |
5.0 |
108 |
1.0 |
180 |
4840 |
3.8 |
125 |
0.7 |
240 |
4840 |
5.8 |
92 |
1.5 |
240 |
PC063+NMRV063 |
63A4 |
6270 |
4.7 |
103 |
1.2 |
300 |
6270 |
6.0 |
101 |
2.1 |
150 |
PC063+NMRV063 |
63C6 |
6270 |
5.0 |
112 |
1.8 |
180 |
6270 |
3.8 |
131 |
1.3 |
240 |
6270 |
3.0 |
145 |
1.0 |
300 |
6270 |
0,18 |
18.7 |
64 |
0.8 |
75 |
PC063+NMRV040 |
63 B4 |
2833 |
15.6 |
70 |
0.8 |
90 |
3011 |
11.7 |
85 |
0.6 |
120 |
3314 |
18.7 |
64 |
1.4 |
75 |
PC063+NMRV050 |
63 B4 |
3889 |
15.6 |
71 |
1.5 |
90 |
4132 |
11.7 |
87 |
1.1 |
120 |
4548 |
9.3 |
101 |
0.9 |
150 |
4840 |
7.8 |
113 |
0.7 |
180 |
4840 |
5.8 |
133 |
0.6 |
240 |
4840 |
12.0 |
95 |
1.2 |
75 |
PC071+NMRV050 |
71A6 |
4506 |
10.0 |
105 |
1.4 |
90 |
4788 |
7.5 |
126 |
1.0 |
120 |
4840 |
9.3 |
103 |
1.7 |
150 |
PC063+NMRV063 |
63 B4 |
6270 |
7.8 |
117 |
1.4 |
180 |
6270 |
5.8 |
139 |
1.0 |
240 |
6270 |
4.7 |
155 |
0.8 |
300 |
6270 |
12.0 |
97 |
2.2 |
75 |
PC071+NMRV063 |
71A6 |
5889 |
10.0 |
107 |
2.4 |
90 |
6259 |
7.5 |
131 |
1.8 |
120 |
6270 |
6.0 |
152 |
1.4 |
150 |
6270 |
5.0 |
168 |
1.2 |
180 |
6270 |
3.8 |
197 |
0.9 |
240 |
6270 |
3.0 |
218 |
0.7 |
300 |
6270 |
5.0 |
179 |
1.7 |
180 |
PC071+NMRV075 |
71A6 |
7380 |
3.8 |
211 |
1.2 |
240 |
7380 |
3.0 |
235 |
1.0 |
300 |
7380 |
0,25 |
18.7 |
88 |
1.0 |
75 |
PC071+NMRV050 |
71А4 |
3889 |
15.6 |
98 |
1.1 |
90 |
4132 |
11.7 |
121 |
0.8 |
120 |
4548 |
18.7 |
91 |
1.8 |
75 |
PC071+NMRV063 |
71А4 |
5083 |
15.6 |
100 |
2.0 |
90 |
5401 |
11.7 |
125 |
1.5 |
120 |
5945 |
9.3 |
143 |
1.2 |
150 |
6270 |
7.8 |
163 |
1.0 |
180 |
6270 |
5.8 |
192 |
0.7 |
240 |
6270 |
4.7 |
215 |
0.6 |
300 |
6270 |
12.0 |
135 |
1.6 |
75 |
PC071+NMRV063 |
71В6 |
5889 |
10.0 |
148 |
1.8 |
90 |
6259 |
7.5 |
181 |
1.3 |
120 |
6270 |
6.0 |
211 |
1.0 |
150 |
6270 |
9.3 |
151 |
1.7 |
150 |
PC071+NMRV075 |
71А4 |
7380 |
7.8 |
172 |
1.4 |
180 |
7380 |
5.8 |
201 |
1.1 |
240 |
7380 |
4.7 |
230 |
0.9 |
300 |
7380 |
12.0 |
139 |
2.4 |
75 |
PC071+NMRV075 |
71В6 |
6952 |
10.0 |
155 |
2.5 |
90 |
7380 |
7.5 |
191 |
1.9 |
120 |
7380 |
6.0 |
219 |
1.5 |
150 |
7380 |
5.0 |
248 |
1.2 |
180 |
7380 |
5.0 |
263 |
1.9 |
180 |
PC071+NMRV090 |
71В6 |
8180 |
3.8 |
318 |
1.4 |
240 |
8180 |
3.0 |
358 |
1.1 |
300 |
8180 |
Мощность двигателя, кВт |
Частота вращения выходного вала, об/мин |
Крутящий момент, Нм |
Сервис-фактор |
Передаточное число |
Тип мотор-редуктора |
Двигатель IEC |
Радиальная нагрузка, Н |
0,37 |
18.7 |
134 |
1.2 |
75 |
PC071+NMRV063 |
71B4 |
5083 |
15.6 |
148 |
1.4 |
90 |
5401 |
11.7 |
185 |
1.0 |
120 |
5945 |
9.3 |
212 |
0.8 |
150 |
6270 |
18.7 |
138 |
1.8 |
75 |
PC071+NMRV075 |
71B4 |
6000 |
15.6 |
154 |
1.9 |
90 |
6375 |
11.7 |
191 |
1.5 |
120 |
7017 |
9.3 |
223 |
1.1 |
150 |
7380 |
7.8 |
254 |
0.9 |
180 |
7380 |
12.0 |
206 |
1.6 |
75 |
PC080+NMRV075 |
80A6 |
6952 |
10.0 |
230 |
1.7 |
90 |
7380 |
7.5 |
283 |
1.3 |
120 |
7380 |
6.0 |
324 |
1.0 |
150 |
7380 |
7.8 |
268 |
1.5 |
180 |
PC071+NMRV090 |
71B4 |
8180 |
5.8 |
321 |
1.1 |
240 |
8180 |
4.7 |
371 |
0.9 |
300 |
8180 |
6.0 |
347 |
1.6 |
150 |
PC080+NMRV090 |
80A6 |
8180 |
5.0 |
389 |
1.3 |
180 |
8180 |
3.8 |
471 |
1.0 |
240 |
8180 |
3.8 |
509 |
1.5 |
240 |
PC080+NMRV105 |
80A6 |
10320 |
3.0 |
577 |
1.2 |
300 |
10320 |
3.8 |
509 |
1.6 |
240 |
PC080+NMRV110 |
80A6 |
10320 |
3.0 |
577 |
1.3 |
300 |
10320 |
0,55 |
18.7 |
200 |
0.8 |
75 |
PC071+NMRV063 |
80A4 |
5083 |
15.6 |
219 |
0.9 |
90 |
5401 |
18.7 |
205 |
1.2 |
75 |
PC071+NMRV075 |
80A4 |
6000 |
15.6 |
230 |
1.3 |
90 |
6375 |
11.7 |
284 |
1.0 |
120 |
7017 |
18.7 |
205 |
1.2 |
75 |
PC080+NMRV075 |
80A4 |
6000 |
15.6 |
230 |
1.3 |
90 |
6375 |
11.7 |
284 |
1.0 |
120 |
7017 |
9.3 |
332 |
0.8 |
150 |
7380 |
12.0 |
306 |
1.1 |
75 |
PC080+NMRV075 |
80B6 |
6952 |
10.0 |
341 |
1.1 |
90 |
7380 |
15.6 |
240 |
2.3 |
90 |
PC080+NMRV090 |
80A4 |
7054 |
11.7 |
297 |
1.6 |
120 |
7764 |
9.3 |
355 |
1.3 |
150 |
8180 |
7.8 |
398 |
1.0 |
180 |
8180 |
10.0 |
357 |
2.0 |
90 |
PC080+NMRV090 |
80B6 |
8174 |
7.5 |
441 |
1.4 |
120 |
8180 |
6.0 |
516 |
1.1 |
150 |
8180 |
5.0 |
578 |
0.9 |
180 |
8180 |
7.8 |
425 |
1.7 |
180 |
PC080+NMRV105 |
80A4 |
10320 |
5.8 |
513 |
1.2 |
240 |
10320 |
4.7 |
597 |
1.0 |
300 |
10320 |
7.5 |
462 |
2.2 |
120 |
PC080+NMRV105 |
80B6 |
10320 |
6.0 |
552 |
1.8 |
150 |
10320 |
5.0 |
620 |
1.5 |
180 |
10320 |
3.8 |
756 |
1.0 |
240 |
10320 |
7.8 |
425 |
1.8 |
180 |
PC080+NMRV110 |
80A4 |
10320 |
5.8 |
513 |
1.3 |
240 |
10320 |
4.7 |
597 |
1.0 |
300 |
10320 |
7.5 |
462 |
2.6 |
120 |
PC080+NMRV110 |
80B6 |
10320 |
6.0 |
552 |
2.0 |
150 |
10320 |
5.0 |
620 |
1.6 |
180 |
10320 |
3.8 |
756 |
1.1 |
240 |
10320 |
3.8 |
756 |
1.6 |
240 |
PC080+NMRV130 |
80В6 |
13500 |
3.0 |
858 |
1.3 |
300 |
13500 |
0,75 |
18.7 |
280 |
0.9 |
75 |
PC080+NMRV075 |
80B4 |
6000 |
15.6 |
313 |
1.0 |
90 |
6375 |
15.6 |
327 |
1.7 |
90 |
PC080+NMRV090 |
80B4 |
7054 |
11.7 |
405 |
1.2 |
120 |
7764 |
9.3 |
483 |
0.9 |
150 |
8180 |
7.8 |
543 |
0.7 |
180 |
8180 |
11.7 |
430 |
1.9 |
120 |
PC080+NMRV105 |
80B4 |
9811 |
9.3 |
506 |
1.6 |
150 |
10320 |
7.8 |
580 |
1.2 |
180 |
10320 |
5.8 |
700 |
0.9 |
240 |
10320 |
12.4 |
393 |
2.8 |
73 |
PC090+NMRV105 |
90S6 |
9614 |
9.3 |
508 |
2.0 |
96.8 |
10320 |
7.4 |
607 |
1.6 |
121 |
10320 |
6.2 |
682 |
1.3 |
145.2 |
PC090+NMRV105 |
90S6 |
10320 |
4.6 |
832 |
0.9 |
193.6 |
10320 |
11.7 |
430 |
2.2 |
120 |
PC080+NMRV110 |
80 В4 |
9811 |
9.3 |
506 |
1.7 |
150 |
10320 |
7.8 |
580 |
1.3 |
180 |
10320 |
5.8 |
700 |
0.9 |
240 |
10320 |
12.4 |
393 |
3.2 |
73 |
PC090+NMRV110 |
90S6 |
9614 |
9.3 |
508 |
2.3 |
96.8 |
10320 |
7.4 |
607 |
1.8 |
121 |
10320 |
6.2 |
682 |
1.5 |
145.2 |
10320 |
4.6 |
832 |
1.0 |
193.6 |
10320 |
5.8 |
712 |
1.4 |
240 |
PC080+NMRV130 |
80 В4 |
13500 |
4.7 |
813 |
1.1 |
300 |
13500 |
12.4 |
399 |
4.4 |
73 |
PC090+NMRV130 |
90S6 |
12575 |
9.3 |
508 |
3.2 |
96.8 |
13500 |
7.4 |
607 |
2.6 |
121 |
13500 |
6.2 |
682 |
2.1 |
145.2 |
13500 |
4.6 |
832 |
1.5 |
193.6 |
13500 |
3.7 |
944 |
1.2 |
242 |
13500 |
Мощность двигателя, кВт |
Частота вращения выходного вала, об/мин |
Крутящий момент, Нм |
Сервис-фактор |
Передаточное число |
Тип мотор-редуктора |
Двигатель IEC |
Радиальная нагрузка, Н |
1,1
|
12.4 |
576 |
1.9 |
73 |
PC090+NMRV105
|
90 L6
|
9614 |
9.3 |
746 |
1.4 |
96.8 |
10320 |
7.4 |
890 |
1.1 |
121 |
10320 |
6.2 |
1000 |
0.9 |
145.2 |
10320 |
19.3 |
392 |
2.2 |
73 |
PC090+NMRV105
|
90S4
|
8298 |
14.5 |
508 |
1.6 |
96.8 |
9133 |
11.6 |
599 |
1.3 |
121 |
9838 |
9.6 |
686 |
1.0 |
145.2 |
10320 |
7.2 |
828 |
0.8 |
193.6 |
10320 |
12.4 |
576 |
2.2 |
73 |
PC090+NMRV110
|
90 L6
|
9614 |
9.3 |
746 |
1.6 |
96.8 |
10320 |
7.4 |
890 |
1.2 |
121 |
10320 |
6.2 |
1000 |
1.0 |
145.2 |
10320 |
19.3 |
392 |
2.5 |
73 |
PC090+NMRV110
|
90S4
|
8298 |
14.5 |
508 |
1.8 |
96.8 |
9133 |
11.6 |
599 |
1.5 |
121 |
9838 |
9.6 |
686 |
1.1 |
145.2 |
10320 |
7.2 |
828 |
0.8 |
193.6 |
10320 |
12.4 |
585 |
3.0 |
73 |
PC090+NMRV130
|
90L6
|
12575 |
9.3 |
746 |
2.2 |
96.8 |
13500 |
7.4 |
890 |
1.7 |
121 |
13500 |
6.2 |
1000 |
1.4 |
145.2 |
13500 |
4.6 |
1220 |
1.0 |
193.6 |
13500 |
19.3 |
398 |
3.5 |
73 |
PC090+NMRV130
|
90S4
|
10853 |
14.5 |
508 |
2.6 |
96.8 |
11945 |
11.6 |
608 |
2.0 |
121 |
12868 |
9.6 |
686 |
1.6 |
145.2 |
13500 |
7.2 |
843 |
1.2 |
193.6 |
13500 |
5.8 |
962 |
0.9 |
242 |
13500 |
1,5
|
19.3 |
535 |
1.6 |
73 |
PC090+NMRV105
|
90L4
|
8298 |
14.5 |
693 |
1.2 |
96.8 |
9133 |
11.6 |
817 |
1.0 |
121 |
9838 |
9.6 |
936 |
0.8 |
145.2 |
10320 |
19.3 |
535 |
1.9 |
73 |
PC090+NMRV110
|
90L4
|
8298 |
14.5 |
693 |
1.3 |
96.8 |
9133 |
11.6 |
817 |
1.1 |
121 |
9838 |
9.6 |
936 |
0.8 |
145.2 |
10320 |
19.3 |
542 |
2.6 |
73 |
PC090+NMRV130
|
90L4
|
10853 |
14.5 |
693 |
1.9 |
96.8 |
11945 |
11.6 |
830 |
1.5 |
121 |
12868 |
9.6 |
936 |
1.1 |
145.2 |
13500 |
7.2 |
1149 |
0.8 |
194 |
13500 |
2,2
|
38.6 |
398 |
1.8 |
73 |
PC090+NMRV105
|
90L2
|
6586 |
28.9 |
516 |
1.3 |
96.8 |
7249 |
23.1 |
617 |
1.1 |
121 |
7809 |
38.6 |
398 |
2.1 |
73 |
PC090+NMRV110
|
90L2
|
6586 |
28.9 |
516 |
1.5 |
96.8 |
7249 |
23.1 |
617 |
1.2 |
121 |
7809 |
38.6 |
409 |
2.9 |
73 |
PC090+NMRV130
|
90L2
|
8614 |
28.9 |
545 |
2.0 |
96.8 |
9481 |
23.1 |
654 |
1.6 |
121 |
10213 |
19.3 |
752 |
1.3 |
145.2 |
10853 |
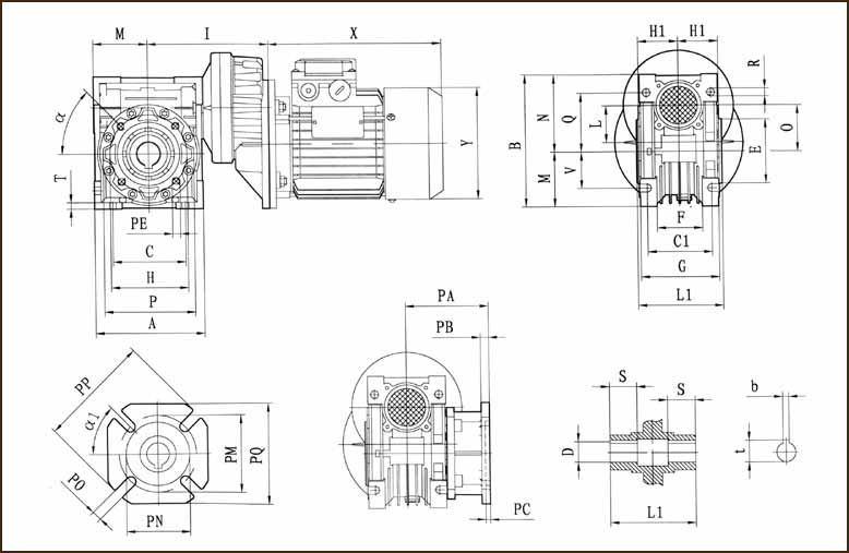
Габаритные и присоединительные размеры.

PCRV |
A |
В |
С |
C1 |
D(H7) |
E(h8) |
F |
G |
H |
H1 |
I |
L |
L1 |
M |
N |
0 |
P |
Q |
R |
063/040 |
100 |
121.5 |
70 |
60 |
18(19) |
60 |
43 |
71 |
75 |
36.5 |
123 |
40 |
78 |
50 |
71.5 |
40 |
87 |
55 |
6.5 |
063/050 |
120 |
144 |
80 |
70 |
25(24) |
70 |
49 |
85 |
85 |
43.5 |
133 |
40 |
92 |
60 |
84 |
50 |
100 |
64 |
8.5 |
071/050 |
120 |
144 |
80 |
70 |
25(24) |
70 |
49 |
85 |
85 |
43.5 |
143 |
50 |
92 |
60 |
84 |
50 |
100 |
64 |
8.5 |
063/063 |
144 |
174 |
100 |
85 |
25(28) |
80 |
67 |
103 |
95 |
53 |
148 |
40 |
112 |
72 |
102 |
63 |
110 |
80 |
8.5 |
071/063 |
144 |
174 |
100 |
85 |
25(28) |
80 |
67 |
103 |
95 |
53 |
158 |
50 |
112 |
72 |
102 |
63 |
110 |
80 |
8.5 |
071/075 |
172 |
205 |
120 |
90 |
28(35) |
95 |
72 |
112 |
115 |
57 |
176 |
50 |
120 |
86 |
119 |
75 |
140 |
93 |
11 |
080/075 |
172 |
205 |
120 |
90 |
28(35) |
95 |
72 |
112 |
115 |
57 |
186 |
63 |
120 |
86 |
119 |
75 |
140 |
93 |
11 |
071/090 |
206 |
238 |
140 |
100 |
35(38) |
110 |
74 |
130 |
130 |
67 |
193 |
50 |
140 |
103 |
135 |
90 |
160 |
102 |
13 |
080/090 |
206 |
238 |
140 |
100 |
35(38) |
110 |
74 |
130 |
130 |
67 |
203 |
63 |
140 |
103 |
135 |
90 |
160 |
102 |
13 |
080(090)/110 |
252.5 |
295 |
170 |
115 |
42 |
130 |
- |
144 |
165 |
74 |
233 |
63 |
155 |
127.5 |
167.5 |
110 |
200 |
125 |
14 |
080(090)/130 |
292.5 |
335 |
200 |
120 |
45 |
180 |
- |
155 |
215 |
81 |
253 |
63 |
170 |
147.5 |
187.5 |
130 |
250 |
140 |
16 |
PCRV |
S |
T |
V |
PA |
PB |
PC |
РЕ |
PM |
PN |
PO |
PP |
PQ |
b |
t |
? |
?1 |
kg |
063/040 |
26 |
6.5 |
35 |
67 |
7 |
4 |
M6x8(n=4) |
75 |
60 |
9(n=4) |
110 |
95 |
6(6) |
20.8(21.8) |
45° |
45° |
3.9 |
063/050 |
30 |
7 |
40 |
90 |
9 |
5 |
M8x10(n=4) |
85 |
70 |
11(n=4) |
125 |
110 |
8(8) |
28.3(27.3) |
45° |
45° |
5.2 |
071/050 |
30 |
7 |
40 |
90 |
9 |
5 |
M8x10(n=4) |
85 |
70 |
11(n=4) |
125 |
110 |
8(8) |
28.3(27.3) |
45° |
45° |
5.8 |
063/063 |
36 |
8 |
50 |
82 |
10 |
6 |
M8x14(n=8) |
150 |
115 |
11(n=4) |
180 |
142 |
8(8) |
28.3(31.3) |
45° |
45° |
7.9 |
071/063 |
36 |
8 |
50 |
82 |
10 |
6 |
M8x14(n=8) |
150 |
115 |
11(n=4) |
180 |
142 |
8(8) |
28.3(31.3) |
45° |
45° |
8.5 |
071/075 |
40 |
10 |
60 |
111 |
13 |
6 |
M8x14(n=8) |
165 |
130 |
14(n=4) |
200 |
170 |
8(10) |
31.3(38.3) |
45° |
45° |
11.3 |
080/075 |
40 |
10 |
60 |
111 |
13 |
6 |
M8x14(n=8) |
165 |
130 |
14(n=4) |
200 |
170 |
8(10) |
31.3(38.3) |
45° |
45° |
13.1 |
071/090 |
45 |
11 |
70 |
111 |
13 |
6 |
M10x18(n=8) |
175 |
152 |
14(n=4) |
210 |
200 |
10(10) |
38.3(41.3) |
45° |
45° |
15.3 |
080/090 |
45 |
11 |
70 |
111 |
13 |
6 |
M10x18(n=8) |
175 |
152 |
14(n=4) |
210 |
200 |
10(10) |
38.3(41.3) |
45° |
45° |
17.2 |
080(090)/110 |
50 |
14 |
85 |
131 |
15 |
6 |
M10x18(n=8) |
230 |
170 |
14(n=8) |
280 |
260 |
12 |
45.3 |
45° |
45° |
39 |
080(090)/130 |
60 |
15 |
100 |
140 |
15 |
6 |
M12x21(n=8) |
255 |
180 |
16(n=8) |
320 |
290 |
14 |
48.8 |
45° |
22.5° |
52.2 |
Приводная техника (мотор-редукторы, преобразователи частоты и устройства плавного пуска) отправляется покупателю транспортной компанией. По всем вопросам обращаться в офис.
Мы всегда рады видеть у себя наших старых партнеров и ждем новых.
Доставка во все регионы России!
|
 |
 |
|
|