 |
 |
|
 |
 |
Приводная техника

Вся продукция сертифицирована. Мы будем рады видеть Вас клиентом нашей компании.

|
|
 |
 |
 |
Устройства мягкого пуска серии PRS2 |
|
 |
 |

Мощность 15- 500 кВт
PRS2 - это серия цифровых устройств плавного пуска для асинхронных электродвигателей мощностью от 15 до 500 кВт включительно. Основное назначение этих устройств – снизить ударные пиковые нагрузки на электродвигатель и питающую сеть при пуске различных механизмов. Устройство плавного пуска исключает механические повреждения движущихся частей привода и продлевает ресурс оборудования. Наличие встроенного программируемого микроконтроллера и сенсорной панели управления позволяет изменять не только время запуска и остановки электродвигателя в широком диапазоне значений, а также более 20 других параметров, позволяющих запрограммировать софтстартер, в идеальном соответствии Вашему технологическому процессу.
Устройства плавного пуска серии PRS2 с успехом выполняют следующие
основные функции:
- Контролируемый плавный запуск электродвигателя;
- Контролируемая плавная остановка электродвигателя;
- Электронная защита электродвигателя как в процессе разгона, так и в режиме работы.
Особенности серии PRS2
Устройства плавного пуска серии PRS2 это серия оснащенная силовыми симисторами по всем трем фазам, что обеспечивает по настоящему плавный пуск электродвигателя и максимальное ограничение пускового тока.
Технические характеристики
ОСНОВНЫЕ ПАРАМЕТРЫ |
Тип нагрузки |
Асинхронные трехфазные двигатели с короткозамкнутым ротором
|
Напряжение питания |
|
Диапазон мощностей |
|
Диапазон токов |
|
Режимы запуска |
Режим ограничения тока, запуск плавным нарастанием напряжения, запуск толчками, Форсирование напряжения при пуске (импульсный старт).
|
Время разгона |
|
Начальное напряжение |
0…50% от номинального напряжения
|
Режимы остановки |
Остановка свободным выбегом, контролируемое время остановки (0...60 с)
|
Количество запусков в час |
Не более 20 запусков (на номинальную нагрузку)
|
Программируемый
релейный выход |
Поступление команды Пуск, начало запуска, срабатывание байпаса, начало останова, окончание останова, ошибка, окончание автоперезапуска.
|
Защитные функции |
Потеря фазы электропитания, повышенное и пониженное напряжение, перегрузка, короткое замыкание в нагрузке, электронная тепловая защита электродвигателя, перегрев радиатора, превышение количества пусков, пониженный ток, защита от перенапряжений (встроенные варисторы).
|
Интерфейс |
встроенный интерфейс RS485 |
Степень защиты |
|
Тип охлаждения |
|
Монтаж |
|
Условия эксплуатации |
Температура окружающей среды |
0...+40 без потери мощности (+40..>60,
при 25 +70 повыш. на 1 град., ток уменьшится на 1.2%)
|
Окружающая влажность воздуха |
|
Вибрационные нагрузки |
|
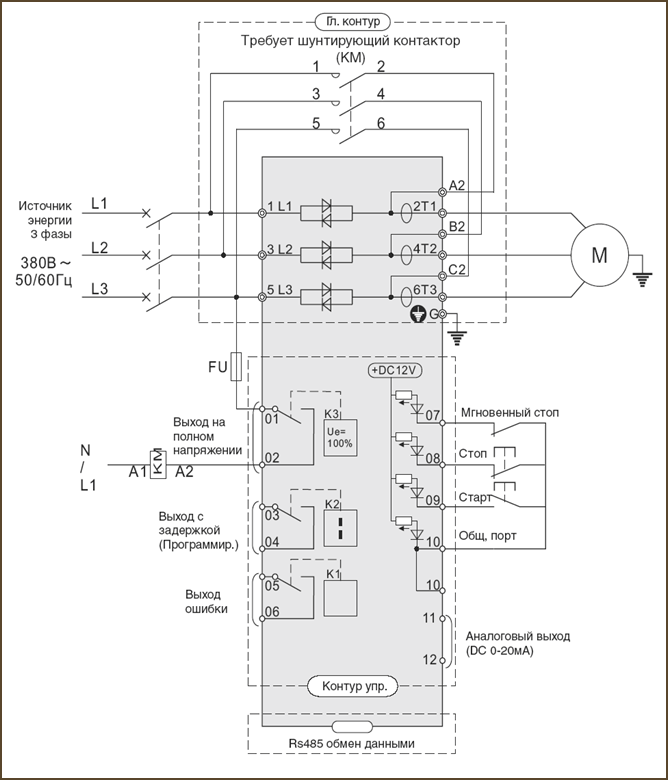
СХЕМА ПОДКЛЮЧЕНИЯ:

ОПИСАНИЕ КОДОВ ДЛЯ ЗАКАЗА
Мощность электродвигателя
кВт, Uпит=380 В, 3 фазы. |
Номинальный ток, А |
Код устройства |
15 |
28 |
PRS2 015 |
18,5 |
34 |
PRS2 018 |
22 |
42 |
PRS2 022 |
30 |
54 |
PRS2 030 |
37 |
68 |
PRS2 037 |
45 |
80 |
PRS2 045 |
55 |
98 |
PRS2 055 |
75 |
128 |
PRS2 075 |
90 |
160 |
PRS2 090 |
110 |
190 |
PRS2 110 |
132 |
236 |
PRS2 132 |
160 |
290 |
PRS2 160 |
200 |
367 |
PRS2 200 |
250 |
430 |
PRS2 250 |
320 |
547 |
PRS2 320 |
400 |
725 |
PRS2 400 |
500 |
915 |
PRS2 500 |
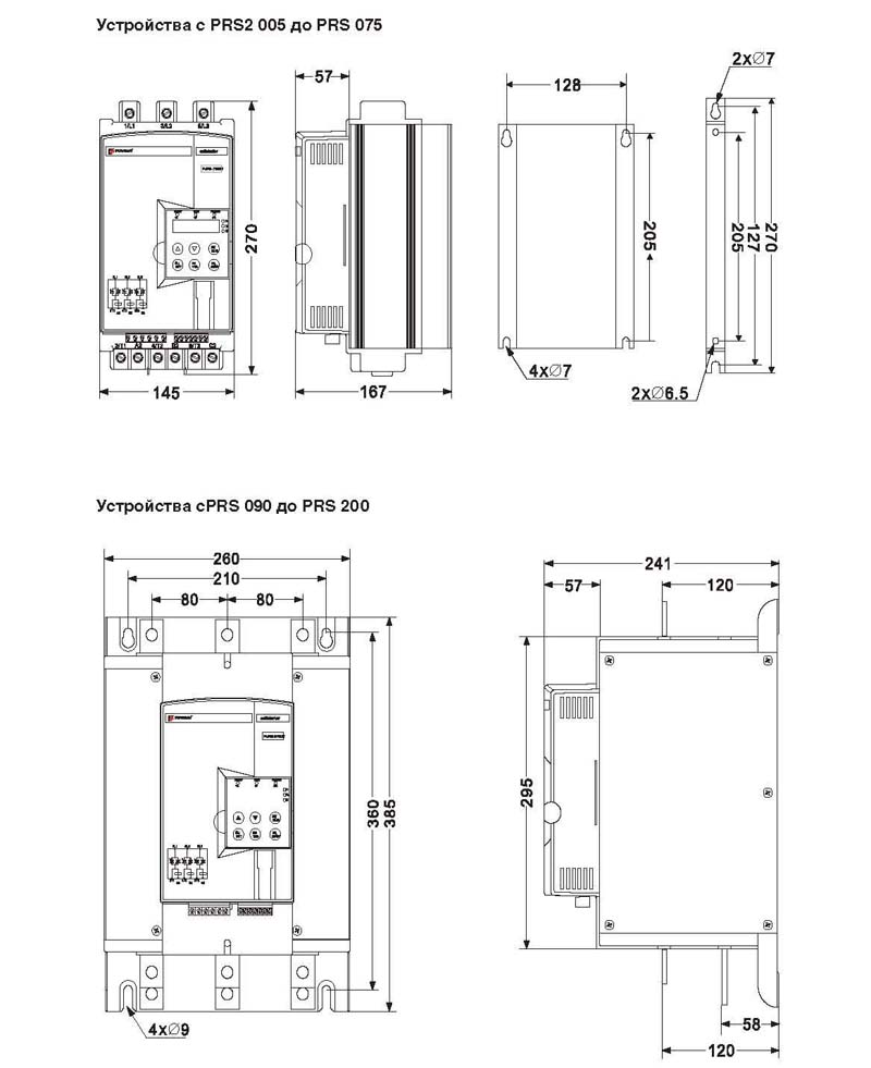
ГАБАРИТНЫЕ РАЗМЕРЫ


Характеристики и цены
Серия PRS2 |
Модель |
Ток, А |
Мощность, кВт |
Цена с НДС, руб |
PRS2 015 |
28 |
15 |
8000 |
PRS2 018 |
34 |
18,5 |
8500 |
PRS2 022 |
42 |
22 |
9000 |
PRS2 030 |
54 |
30 |
10150 |
PRS2 037 |
68 |
37 |
11750 |
PRS2 045 |
80 |
45 |
13500 |
PRS2 055 |
98 |
55 |
18200 |
PRS2 075 |
128 |
75 |
23600 |
PRS2 090 |
160 |
90 |
30200 |
PRS2 110 |
190 |
110 |
34000 |
PRS2 132 |
236 |
132 |
37700 |
PRS2 160 |
290 |
160 |
44800 |
PRS2 200 |
367 |
200 |
51500 |
PRS2 250 |
430 |
250 |
59400 |
PRS2 320 |
547 |
320 |
71400 |
PRS2 400 |
725 |
400 |
82500 |
PRS2 500 |
950 |
500 |
119000 |
Мотор редукторы, преобразователи частоты и устройства плавного пуска отправляются транспортной компанией. По всем вопросам обращаться в офис
Мы всегда рады видеть у себя наших старых партнеров и ждем новых.
Доставка во все регионы России!
|
 |
 |
|
|